Phần mềm NX là hệ thống phần mềm CAD/CAM/CAE mạnh nhất hiện nay để mô hình hoá ba chiều các sản phẩm cơ khí. Hệ thống này là công cụ hỗ trợ cho nhà thiết kế thực hiện công việc thiết kế sản phẩm một cách nhanh chóng và chính xác. Hơn thế nữa, tính mở và tính tương thích của NX cho phép nhiều phần mềm ứng dụng khác có thể chạy trực tiếp trên môi trường của nó như Autodesk Inventor, Catia, Pro-E, Solid Edge, CADKEY, SoildWorks, Cimatron, … kết xuất ra các file định dạng chuẩn để người sử dụng có thể khai thác mô hình trong môi trường các phần mềm phân tích khác.
NX CAD (NX for Design) là một gói module trong bộ giải pháp NX CAD/CAM/CAE. NX CAD là giải pháp phát triển sản phẩm mạnh mẽ, linh hoạt và sáng tạo nhất trong thiết kế, NX CAD có các tính năng, hiệu suất và khả năng mạnh mẽ giúp doanh nghiệp đưa sản phẩm ra thị trường nhanh hơn bao giờ hết bằng cách sử dụng nhiều mô hình sản phẩm ảo hơn và ít nguyên mẫu vật lý hơn cũng như ít tốn kém về chi phí hơn.
1. Những tính năng nổi bật của NX CAD cho thiết kế sản phẩm
1.1. Khả năng tương tác thiết kế
Khả năng tương tác thiết kế được tạo thành từ các tính năng mạnh mẽ cho phép kỹ sư xây dựng một giải pháp hoàn hảo. Ngày nay, các sản phẩm ngày càng phức tạp với nhiều mẫu mã và yêu cầu đa dạng từ khách hàng, cùng với đó là sự phụ thuộc ngày càng cao vào thiết bị điện tử tích hợp. Tích hợp các thành phần cơ khí, điện tử và điện trong các sản phẩm cơ điện là rất quan trọng đối với các nhà sản xuất hàng không vũ trụ, ô tô, điện tử, máy móc và thiết bị y tế. Thách thức với các nhà sản xuất là chuyển đổi các quy trình phát triển của họ sang các phương pháp thiết kế đồng thời và kỹ thuật hệ thống hỗ trợ sự hợp tác giữa các ngành khác nhau.Hiểu được điều đó, SIEMENS phát triển phần mềm NX CAD mang đến một nền tảng thống nhất cho lĩnh vực thiết kế cơ điện. Quy trình thiết kế đồng nhất ECAD-MCAD hiệu quả cho phép kỹ sư loại bỏ các vấn đề cơ điện tốn kém trong quá trình phát triển sản phẩm mới bằng cách đưa ra một bức tranh tổng thể.


1.2. Xác nhận thiết kế
Nhà quản lý dựa vào dữ liệu mới nhất để giám sát tiến độ, quản lý rủi ro, giải quyết các tác động và cuối cùng đưa ra hàng trăm quyết định. NX CAD có thể giúp nhà quản lý đảm bảo chất lượng sản phẩm, cũng như giảm thiểu sai sót và thực hiện lại quy trình. NX CAD cung cấp các công cụ xác nhận và phân tích sản phẩm trực quan cho phép nhà quản lý nhanh chóng tổng hợp thông tin, kiểm tra thiết kế để tuân thủ các yêu cầu và đưa ra quyết định sáng suốt.

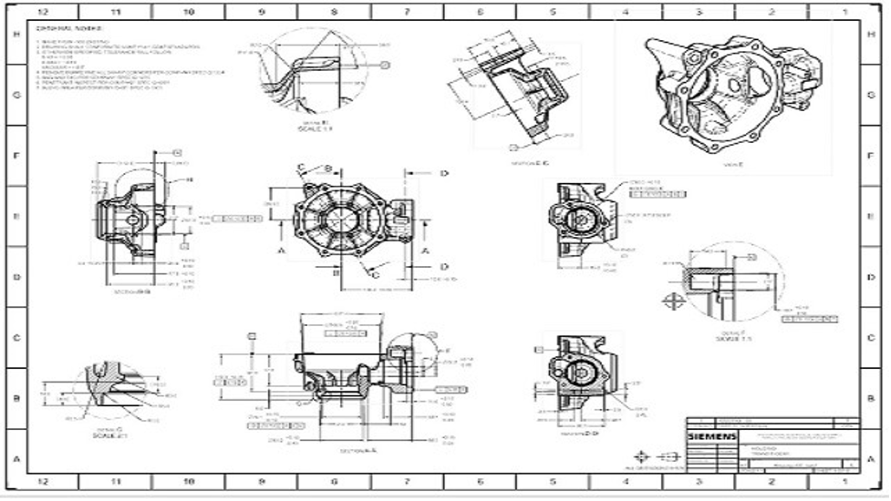
1.3. Xuất bản vẽ và tài liệu
NX CAD mang đến bộ công cụ để tăng tốc thiết kế 2D, tạo bản vẽ và tài liệu sản phẩm. Nhanh chóng và dễ dàng tạo các bản vẽ kỹ thuật từ các mô hình 3D bằng các công cụ xuất bản vẽ hiệu quả cao cùng với công cụ chú thích toàn diện theo các tiêu chuẩn xuất bản vẽ quốc gia và quốc tế. Tài liệu bản vẽ của bạn với yêu cầu sản xuất. Theo dõi thay đổi nâng cao làm giảm thời gian kiểm tra bản vẽ và loại bỏ lỗi. Các sản phẩm của chúng tôi bao gồm khả năng mạnh mẽ và năng suất cho thiết kế 2D, phác thảo, chú thích và tài liệu phù hợp lý tưởng cho môi trường thiết kế 2D và 3D.

1.4. Thiết kế kiểu dáng công nghiệp
Thiết kế sản phẩm sáng tạo là sự kết hợp tốt của hình thức, phù hợp và chức năng khiến khách hàng có những trải nghiệm tích cực mỗi lần sử dụng sản phẩm. Thiết kế và tạo kiểu đặc biệt mang lại lợi thế cạnh tranh. Thiết kế là sự khác biệt quan trọng trong hầu hết các ngành công nghiệp ngày nay. Tất nhiên, thiết kế không chỉ được hấp dẫn trực quan, mà nó phải hoạt động, sản xuất và giá cả phải chăng để xây dựng, hỗ trợ và duy trì. NX là phần mềm thiết kế kiểu dáng công nghiệp hỗ trợ máy tính mạnh mẽ, giúp tăng tốc thiết kế sản phẩm của bạn bằng cách cung cấp các thiết kế khái niệm nhanh có thể được sử dụng trực tiếp trong mô hình hóa.

1.5. Thiết kế hệ thống điện
Thiết kế đầy đủ các hệ thống sản xuất đòi hỏi thiết kế hệ thống điện. NX cho phép thiết kế điện hoàn chỉnh của máy móc và dây chuyền sản xuất để thiết kế hệ thống tổng thể hiệu quả nhất. Thiết kế điện trong NX là một công cụ thiết kế điện có một không hai, được thiết kế từ đầu để cho phép các kỹ sư điện hoàn thành thiết kế của họ nhanh hơn và với chất lượng cao hơn bao giờ hết. Nó cho phép các kỹ sư điện hoạt động trên cùng một môi trường với các đồng nghiệp thiết kế cơ khi và phần mềm của họ, cho phép họ tiết kiệm thời gian và loại bỏ lỗi.

1.6. Tái sử dụng dữ liệu thiết kế
Thách thức trong quá trình phát triển sản phẩm là làm sao để rút ngắn chu kỳ thiết kế, giảm chi phí phát triển, nâng cao năng suất và tăng chất lượng sản phẩm. Các công ty hàng đầu theo đuổi các mục tiêu này bằng cách tích cực áp dụng các chiến lược tái sử dụng sử dụng dữ liệu. Các giải pháp tái sử dụng kiến thức toàn diện trong NX hỗ trợ các chiến lược này, cho phép doanh nghiệp đẩy nhanh các thiết kế sản phẩm và giảm chi phí. Phần mềm NX tối đa hóa giá trị kiến thức sản phẩm bằng cách giúp doanh nghiệp tận dụng nó nhiều lần.

1.7. Thiết kế ý tưởng cơ điện tử
Phần mềm NX ứng dụng trong thiết kế cho phép tiếp cận đa lĩnh vực để việc thiết kế máy phá vỡ rào cản giữa các kỹ sư điện, cơ khí và tự động hóa. NX tiếp tục cách mạng hóa quy trình thiết kế máy bằng cách giúp kỹ sư thiết kế nhanh hơn với chất lượng cao hơn. Mechatronics Concept Designer - Thiết kế ý tưởng cơ điện tử cung cấp giải pháp end-to-end cho phép cộng tác đa lĩnh vực, tái sử dụng kiến thức hiện có, giảm thời gian đưa sản phẩm ra thị trường và đưa ra quyết định tốt hơn thông qua đánh giá từ concept đến sản xuất.

1.8. Định nghĩa dựa trên mô hình
Định nghĩa dựa trên mô hình cho phép tạo ra định nghĩa kỹ thuật số hoàn chỉnh của sản phẩm trong mô hình 3D, do đó thay thế bản vẽ truyền thống. Bằng cách trao quyền cho mô hình như một nguồn duy nhất của các nhóm sản phẩm, chúng ta có thể tiết kiệm thời gian quý báu bằng cách kết hợp thông tin về sản phẩm và quy trình, đồng thời đảm bảo rằng ý tưởng được nắm bắt và liên kết hoàn toàn với mô hình. So với quy trình làm việc tập trung vào bản vẽ, NX giảm thời gian dành cho tài liệu kỹ thuật, thúc đẩy các công cụ hạ nguồn để xác nhận và sản xuất, đồng thời giảm việc phát sinh thay đổi và phế liệu. Với một nguồn thông tin về kích thước và dung sai, bạn không cần phải lo lắng về việc bản vẽ và mô hình không thống nhất với nhau. Ngoài ra, các mô hình 3D có chú thích dễ hiểu hơn các bản vẽ phức tạp, giảm nhu cầu đào tạo và cơ hội xảy ra sai sót.

1.9. Mô hình sản phẩm
Các sản phẩm với sự phức tạp ngày càng tăng, quy trình phát triển và nhóm thiết kế đòi hỏi bạn tìm ra các công cụ và phương pháp mới để mang lại sự đổi mới lớn hơn và chất lượng cao hơn với chi phí thấp hơn. Phần mềm thiết kế sản phẩm NX CAD của Siemens Digital Industries Software mang lại sức mạnh, hiệu quả và tiết kiệm chi phí vượt ra ngoài quy trình thiết kế cho tất cả các giai đoạn phát triển sản phẩm.

1.11. Hệ thống định tuyến
Các giải pháp phát triển sản phẩm kỹ thuật số NX bao gồm một bộ công cụ tích hợp hỗ trợ toàn bộ quá trình thiết kế cho các hệ thống được định tuyến, bao gồm dây nịt, cáp, đường ống, ống, ống dẫn và mương.Các công cụ dành riêng cho quy trình này giúp giảm thời gian thiết kế chi tiết, cải thiện chất lượng sản phẩm và chuyển thông tin sản phẩm một cách liền mạch giữa các lĩnh vực thiết kế logic, thiết kế vật lý, phân tích, sản xuất và dịch vụ.

1.12. Thiết kế theo hướng mô phỏng
Chúng ta đang ở trong thời đại mà mô phỏng đang được sử dụng để tổng hợp và xác định thiết kế vật lý, thay vì chỉ đơn giản là đánh giá và xác nhận các thiết kế cuối cùng. Các nhà sản xuất đang tận dụng những tiến bộ trong công nghệ mô phỏng và quy trình phát triển để đánh bại đối thủ cạnh tranh của họ để đưa ra thị trường những sản phẩm chất lượng cao hơn, bền hơn.Với NX CAD, bạn có thể nhúng mô phỏng trực tiếp vào môi trường và quy trình thiết kế của mình.

1.13. Giải pháp dựa trên quy trình làm việc
Siemens Digital Industries Software cung cấp các giải pháp quy trình làm việc được xây dựng cho các nhu cầu cụ thể của các ngành riêng lẻ. Dựa trên nhiều năm kinh nghiệm hiểu biết về các yêu cầu chính của ngành, các sản phẩm của SIEMENS giúp các công ty nhanh chóng nhận ra giá trị trong sản phẩm và quy trình của họ.Tối ưu hóa hình thức, sự phù hợp và chức năng với một loạt các khả năng thiết kế biểu mẫu tự do. Cho phép mô hình hóa hình học nhanh chóng và chính xác. Tích hợp các thiết kế và quy trình cơ khí, điện tử và điện để cung cấp các hệ thống truyền động cơ điện chất lượng cao hơn.

Link: https://www.plm.automation.siemens.com/global/en/products/nx/nx-for-design.html